Lada 2104, 2105, 2107
Etusivulle        Tiedostot

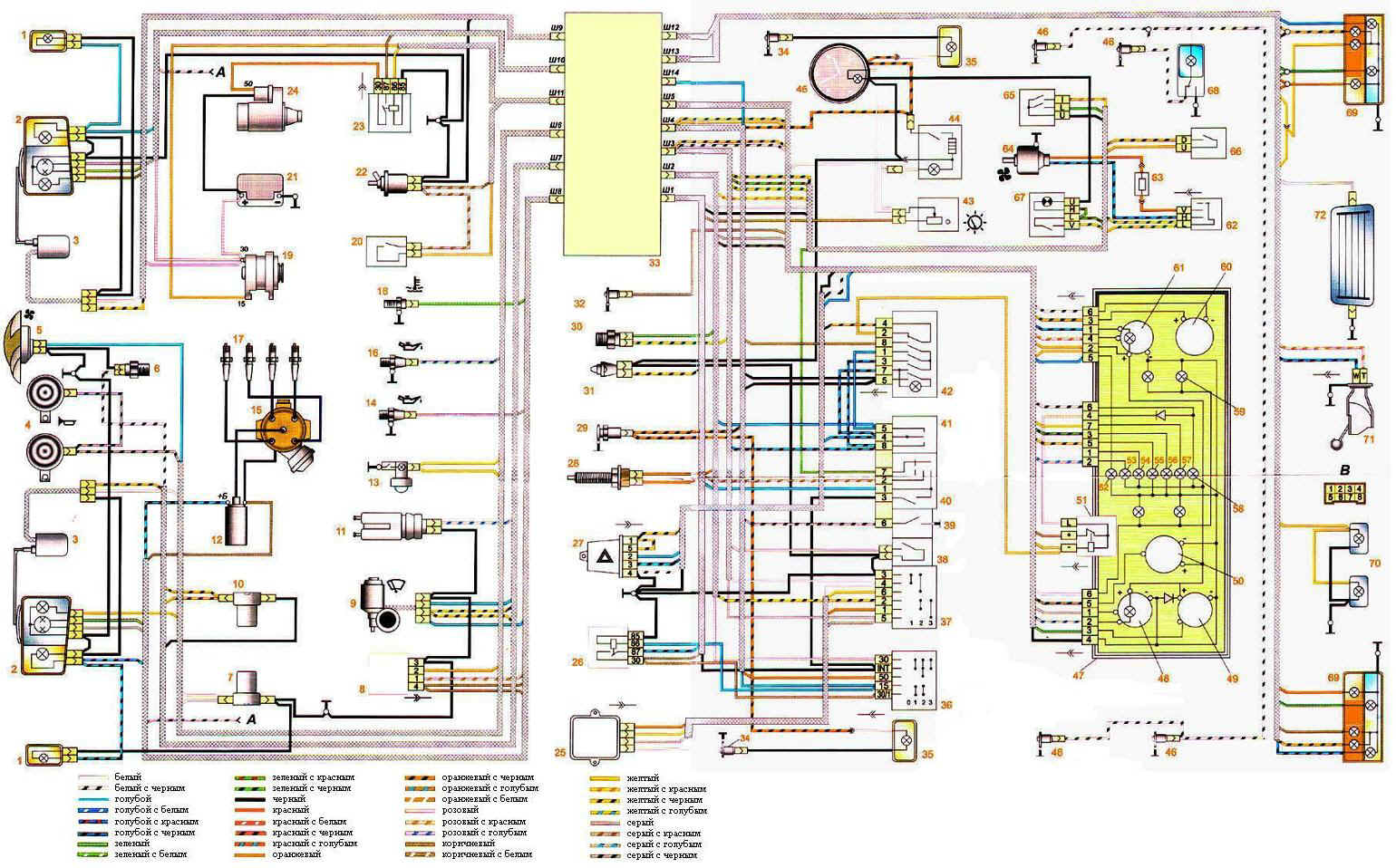
Lada 2104, 2105 ja 2107 kytkentäkaavioita sun muuta mitä olen netistä löytänyt ja myöskin sälää mitä olen itse tehnyt.

Kytkentäkaaviot:

2104:

 

2105:

           

2107:

       

Sekalaisia kytkiksiä:

1700i 1-piste ruiskutuksen kytkentäkaavio


Lattasulakerasia 402.3722 kytkentäkaavio
 

2107 1988 mittariston kytkentä. Näissä on eroja vuosimallien välillä eli ei välttämättä käy suorilta jokaiseen malliin.
     

2107 jarruvalon modaus. Tällä muokkauksella saat sumuvalot syttymään jarruvalojen kera mutta jarruvalo ei syty sumuvalon kanssa kun lisäät takavalojen piirilevyille diodit kuvan mukaisesti. Tämä kytkentä ei ole tieliikenne laillinen!


Varaosaluettelot:

2104-2105 varaosaluettelo (pdf) 24 Mt

2107 varaosaluettelo vuodelta 2005 (pdf) 8 Mt

Muuta sälää:

2105 valkoiset mittarinpohjat (rar) 410 kt
2107 valkoiset mittarinpohjat (rar) 920 kt